Product Summary
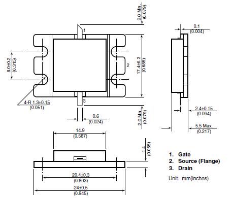
The FLM5359-18F is a power GaAs FET that is internally matched for standard communication bands to provide optimum power and gain in a 50 ohm system.
Parametrics
FLM5359-18F absolute maximum ratings: (1)Drain-Source Voltage: 15 V; (2)Gate-Source Voltage: -5 V; (3)Total Power Dissipation: 83.3 W at TC=25 ℃; (4)Storage Temperature: -65 to +175 ℃; (5)Channel Temperature: 175 ℃.
Features
FLM5359-18F features: (1)High Output Power: P1dB = 43.0dBm (Typ.); (2)High Gain: G1dB = 8.5dB (Typ.); (3)High PAE: ηadd = 35% (Typ.); (4)Low IM3 = -46dBc@Po = 32.0dBm; (5)Broad Band: 5.3 ~ 5.9GHz; (6)Impedance Matched Zin/Zout = 50Ω.
Diagrams

![]() |
![]() FLM5359-45F |
![]() Other |
![]() |
![]() Data Sheet |
![]() Negotiable |
|
||||
![]() |
![]() FLM5964-12F |
![]() Other |
![]() |
![]() Data Sheet |
![]() Negotiable |
|
||||
![]() |
![]() FLM5964-18F |
![]() Other |
![]() |
![]() Data Sheet |
![]() Negotiable |
|
||||
![]() |
![]() FLM5964-25F |
![]() Other |
![]() |
![]() Data Sheet |
![]() Negotiable |
|
||||
![]() |
![]() FLM5964-35F |
![]() Other |
![]() |
![]() Data Sheet |
![]() Negotiable |
|
||||
![]() |
![]() FLM5964-45F |
![]() Other |
![]() |
![]() Data Sheet |
![]() Negotiable |
|
||||
(China (Mainland))








