Product Summary
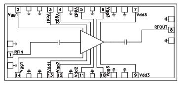
The HMC-ABH241 is a four stage GaAs HEMT MMIC Medium Power Amplifier which operates between 50 and 66 GHz. The device provides 24 dB of gain, and an output power of +17 dBm at 1dB compression from a +5V supply voltage. The HMC-ABH241 is compatible with conventional die attach methods, as well as thermocompression and thermosonic wire bonding, making it ideal for MCM and hybrid microcircuit applications. The applications of the HMC-ABH241 are Short Haul / High Capacity Links, Wireless LAN Bridges, Military & Space.
Parametrics
HMC-ABH241 absolute maximum ratings: (1)Drain Bias Voltage:+5.5 Vdc; (2)Gain Bias Voltage:-1 to +0.3 Vdc; (3)RF Input Power:2 dBm; (4)Storage Temperature:-65℃ to + 150℃; (5)Chennel Temperature:+180℃.
Features
HMC-ABH241 features: (1)Output IP3: +25 dBm ; (2)P1dB: +17 dBm ; (3)Gain: 24 dB; (4)Supply Voltage: +5 V; (5)50 Ohm Matched Input/Output; (6)Die Size: 3.2 x 1.42 x 0.1 mm.
Diagrams

| Image | Part No | Mfg | Description | ![]() |
Pricing (USD) |
Quantity | ||||
|---|---|---|---|---|---|---|---|---|---|---|
![]() |
![]() HMC-ABH241 |
![]() Other |
![]() |
![]() Data Sheet |
![]() Negotiable |
|
||||
| Image | Part No | Mfg | Description | ![]() |
Pricing (USD) |
Quantity | ||||
![]() |
![]() HMC-ABH209 |
![]() Other |
![]() |
![]() Data Sheet |
![]() Negotiable |
|
||||
![]() |
![]() HMC-ABH241 |
![]() Other |
![]() |
![]() Data Sheet |
![]() Negotiable |
|
||||
![]() |
![]() HMC-ALH102 |
![]() Other |
![]() |
![]() Data Sheet |
![]() Negotiable |
|
||||
![]() |
![]() HMC-ALH140 |
![]() Other |
![]() |
![]() Data Sheet |
![]() Negotiable |
|
||||
![]() |
![]() HMC-ALH216 |
![]() Other |
![]() |
![]() Data Sheet |
![]() Negotiable |
|
||||
![]() |
![]() HMC-ALH244 |
![]() Other |
![]() |
![]() Data Sheet |
![]() Negotiable |
|
||||
(China (Mainland))









