Product Summary
The SB10100CT is a schottky barrier rectifier.
Parametrics
SB10100CT absolute maximum ratings: (1)Maximum Recurrent Peak Reverse Voltage:100V; (2)Maximum RMS Voltage:70V; (3)Maximum DC Blocking Voltage:100V; (4)Maximum Average Forward Current:10A; (5)Peak Forward Surge Current:150A; (6)Maximum Forward Voltage at 5.0A, per leg:0.85V; (7)Maximum DC Reverse Current at Rated DC Blocking Voltage:0.5mA; (8)Operating and Storage Temperature Range:-55℃ to +125℃; (9)Typical junction resistance:3.0℃/W.
Features
SB10100CT features: (1)Plastic package has Underwriters Laboratory; (2)Flammability Classification 94V-O; (3)Flame Retardant Epoxy Molding Compound; (4)Exceeds environmental standards of MIL-S-19500/228; (5)Low power loss, high efficiency; (6)Low forwrd voltge, high current capability; (7)High surge capacity; (8)For use in low voltage,high frequency inverters free wheeling, and polarlity protection applications; (9)Pb free product are available : 99% Sn above can meet Rohs environment substance directive request.
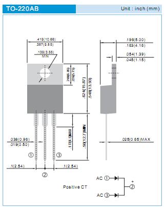
Diagrams

| Image | Part No | Mfg | Description | ![]() |
Pricing (USD) |
Quantity | ||||
|---|---|---|---|---|---|---|---|---|---|---|
![]() |
![]() SB10100CT |
![]() Other |
![]() |
![]() Data Sheet |
![]() Negotiable |
|
||||
| Image | Part No | Mfg | Description | ![]() |
Pricing (USD) |
Quantity | ||||
![]() |
![]() SB100 |
![]() Other |
![]() |
![]() Data Sheet |
![]() Negotiable |
|
||||
![]() |
![]() SB100-05H |
![]() Other |
![]() |
![]() Data Sheet |
![]() Negotiable |
|
||||
![]() |
![]() SB100-05J |
![]() Other |
![]() |
![]() Data Sheet |
![]() Negotiable |
|
||||
![]() |
![]() SB100-09 |
![]() Other |
![]() |
![]() Data Sheet |
![]() Negotiable |
|
||||
![]() |
![]() SB100-09J |
![]() Other |
![]() |
![]() Data Sheet |
![]() Negotiable |
|
||||
![]() |
![]() SB100-09K |
![]() Other |
![]() |
![]() Data Sheet |
![]() Negotiable |
|
||||
(China (Mainland))









