Product Summary
The ER1004FCT is a superfast recovery rectifier.
Parametrics
ER1004FCT absolute maximum ratings: (1)Maximum Recurrent Peak Reverse Voltage:400V; (2)Maximum RMS Voltage:280V; (3)Maximum DC Blocking Voltage:400V; (4)Maximum Average Forward Current:TC=100℃:10.0A; (5)Peak Forward Surge Current : 8.3ms single half sine-wave superimposed on rated load (JEDEC method):150A; (6)Typical thermal resistance:3.0℃/W; (7)Maximum Forward Voltage at 10A, per element:1.30V; (8)Maximum DC Reverse Current at TJ=25℃:1.0uA; (9)Typical Junction capacitance:62pF; (10)Operating Junction and Storage Temperature Range:-55℃ to +150℃.
Features
ER1004FCT features: (1)Plastic package has Underwriters Laboratory; (2)Flammability Classification 94V-O; (3)Flame Retardant Epoxy Molding Compound; (4)Exceeds environmental standards of MIL-S-19500/228; (5)Low power loss, high efficiency; (6)Low forwrd voltge, high current capability; (7)High surge capacity; (8)Super fast recovery times, high voltage; (9)In compliance with EU RoHS 2002/95/EC directives.
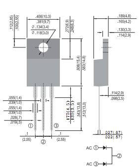
Diagrams

| Image | Part No | Mfg | Description | ![]() |
Pricing (USD) |
Quantity | ||||
|---|---|---|---|---|---|---|---|---|---|---|
![]() |
![]() ER1004FCT |
![]() Other |
![]() |
![]() Data Sheet |
![]() Negotiable |
|
||||
| Image | Part No | Mfg | Description | ![]() |
Pricing (USD) |
Quantity | ||||
![]() |
![]() ER100 |
![]() Other |
![]() |
![]() Data Sheet |
![]() Negotiable |
|
||||
![]() |
![]() ER1000 |
![]() Other |
![]() |
![]() Data Sheet |
![]() Negotiable |
|
||||
![]() |
![]() ER1000CT |
![]() Other |
![]() |
![]() Data Sheet |
![]() Negotiable |
|
||||
![]() |
![]() ER1000F |
![]() Other |
![]() |
![]() Data Sheet |
![]() Negotiable |
|
||||
![]() |
![]() ER1000FCT |
![]() Other |
![]() |
![]() Data Sheet |
![]() Negotiable |
|
||||
![]() |
![]() ER1001 |
![]() Other |
![]() |
![]() Data Sheet |
![]() Negotiable |
|
||||
(China (Mainland))









