Product Summary
The FHX13LG is a Super High Electron Mobility Transistor (SuperHEMTTM) intended for general purpose, ultra-low noise and high gain amplifiers in the 2-18GHz frequency range. The FHX13LG is packaged in cost effective, low parasitic, hermetically sealed metal-ceramic package for high volume telecommunication, TVRO, VSAT or other low noise applications.
Parametrics
FHX13LG absolute maximum ratings: (1)Drain-Source Voltage: 3.5 V; (2)Gate-Source Voltage: -3.0 V; (3)Total Power Dissipation: 180 mW; (4)Storage Temperature: -65 to +175 ℃; (5)Channel Temperature: 175 ℃.
Features
FHX13LG features: (1)Low Noise Figure: 0.45dB (Typ.)@f=4GHz; (2)High Associated Gain: 13.0dB (Typ.)@f=12GHz; (3)Lg ≤ 0.15μm, Wg = 200μm; (4)Gold Gate Metallization for High Reliability; (5)Cost Effective Ceramic Microstrip (SMT) Package; (6)Tape and Reel Available.
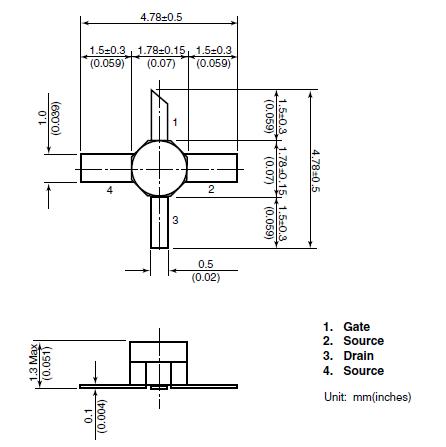
Diagrams

(China (Mainland))






