Product Summary
The FLM4450-12F is a power GaAs FET that is internally matched for standard communication bands to provide optimum power and gain in a 50 ohm system.
Parametrics
FLM4450-12F absolute maximum ratings: (1)Drain-Source Voltage: 15 V; (2)Gate-Source Voltage: -5 V; (3)Total Power Dissipation: 57.6 W at TC=25 ℃; (4)Storage Temperature: -65 to +175℃; (5)Channel Temperature: 175 ℃.
Features
FLM4450-12F features: (1)High Output Power: P1dB = 41.5dBm (Typ.); (2)High Gain: G1dB = 10.5dB (Typ.); (3)High PAE: ηadd = 39% (Typ.); (4)Low IM3 = -46dBc@Po = 30.5dBm; (5)Broad Band: 4.4 ~ 5.0GHz; (6)Impedance Matched Zin/Zout = 50Ω; (7)Hermetically Sealed Package.
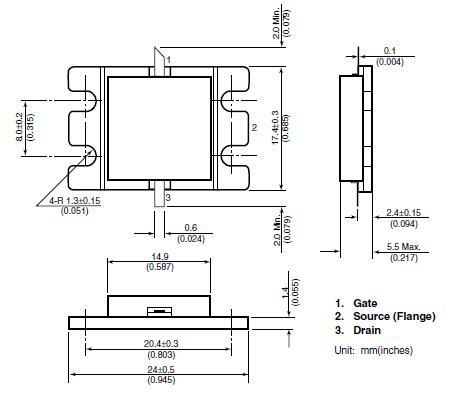
Diagrams

(China (Mainland))






