Product Summary
The FMM5049VT is a high-gain, wide band, three-stage MMIC amplifier designed for PCS/PCN and W-CDMA applications as a driver or output stage in the 1.8-2.3GHz band. The output stage of FMM5049VT is partially matched for this device. This product is uniquely suited for use in base station amplifiers as it offers high gain, long term reliability and ease of use.
Parametrics
FMM5049VT absolute maximum ratings: (1)Drain-Source Voltage: +12 V; (2)Gate-Source Voltage: -7 V; (3)Input Power: +15 dBm; (4)Storage Temperature: -55 to +125 ℃; (5)Channel Temperature: -40 to +85 ℃.
Features
FMM5049VT features: (1)High Output Power: Pout = 41.0dBm (Typ.); (2)High Linear Gain: GL = 33.0dB (Typ.); (3)Broad Band: 1.8 to 2.3GHz; (4)Hermetically Sealed Package.
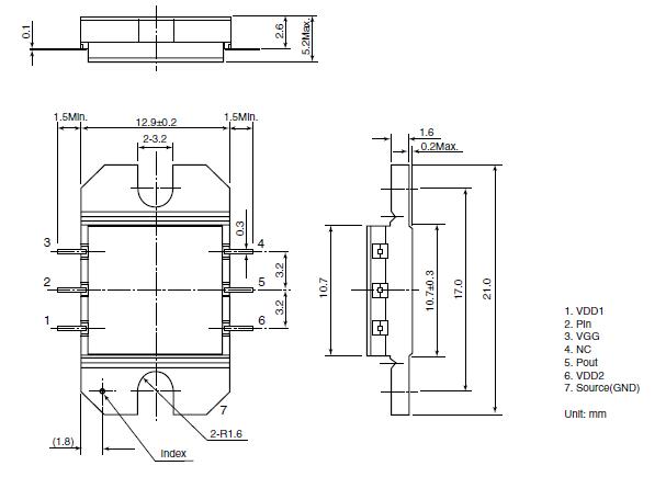
Diagrams

![]() |
![]() FMM50-025TF |
![]() Ixys |
![]() MOSFET PHASE LEG MOSFET MOD HALF-BRIDGE 250V 30A |
![]() Data Sheet |
![]() Negotiable |
|
||||
![]() |
![]() FMM5017VF |
![]() Other |
![]() |
![]() Data Sheet |
![]() Negotiable |
|
||||
![]() |
![]() FMM5046VF |
![]() Other |
![]() |
![]() Data Sheet |
![]() Negotiable |
|
||||
![]() |
![]() FMM5048GJ |
![]() Other |
![]() |
![]() Data Sheet |
![]() Negotiable |
|
||||
![]() |
![]() FMM5057VF |
![]() Other |
![]() |
![]() Data Sheet |
![]() Negotiable |
|
||||
![]() |
![]() FMM5107VD |
![]() Other |
![]() |
![]() Data Sheet |
![]() Negotiable |
|
||||
(China (Mainland))








