Product Summary
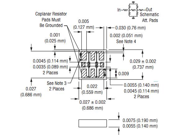
The ATN3580-01 is an attenuator chip. The chip incorporates thin-film resistors on high-resistivity silicon to achieve precision attenuation, tight flatness and excellent return loss to 40 GHz. The ATN3580-01 uses a balanced TEE resistive structure to assure broad bandwidth performance. The thin-film technology offers improved power-handling capability in comparison to the traditional thick-film printed attenuator. The ATN3580-01 is specified for their attenuation at DC. A wafer probe sample test is performed to 40 GHz to assure the flatness specification. The ATN3580-01 is suitable for Attenuators.
Parametrics
ATN3580-01 absolute maximum ratings: (1)Incident power @ 25℃: 1 W; (2)Operating temperature: -55 to +150℃; (3)Storage temperature: -65 to +150℃.
Features
ATN3580-01 features: (1)Specified flat response to 40 GHz; (2)Return loss > 16 dB to 40 GHz; (3)Available at 1–10, 12, 15, 20, 30 and 40 dB; (4)Power handling to 1 W CW; (5)Rugged thin-film silicon chips; (6)Lead (Pb)-free, RoHS-compliant, and Green.
Diagrams

| Image | Part No | Mfg | Description | ![]() |
Pricing (USD) |
Quantity | ||||||
|---|---|---|---|---|---|---|---|---|---|---|---|---|
![]() |
![]() ATN3580-01 |
![]() |
![]() ATTENUATOR PAD CHIP 1W 1DB |
![]() Data Sheet |
![]()
|
|
||||||
| Image | Part No | Mfg | Description | ![]() |
Pricing (USD) |
Quantity | ||||||
![]() |
![]() ATN3580 |
![]() Other |
![]() |
![]() Data Sheet |
![]() Negotiable |
|
||||||
![]() |
![]() ATN3580-01 |
![]() |
![]() ATTENUATOR PAD CHIP 1W 1DB |
![]() Data Sheet |
![]()
|
|
||||||
![]() |
![]() ATN3580-09 |
![]() |
![]() ATTENUATOR PAD CHIP 1W 9DB |
![]() Data Sheet |
![]()
|
|
||||||
![]() |
![]() ATN3580-10 |
![]() |
![]() ATTENUATOR PAD CHIP 1W 10DB |
![]() Data Sheet |
![]()
|
|
||||||
![]() |
![]() ATN3580-12 |
![]() |
![]() ATTENUATOR PAD CHIP 1W 12DB |
![]() Data Sheet |
![]()
|
|
||||||
![]() |
![]() ATN3590-07 |
![]() |
![]() ATTENUATOR PAD CHIP 2W 7DB |
![]() Data Sheet |
![]()
|
|
||||||
(China (Mainland))










