Product Summary
The FSX027WF is a general purpose GaAs FET designed for medium power applications up to the 12GHz. It has a wide dynamic range and are suitable for use in medium power, wide band, linear drive amplifiers or oscillators.
Parametrics
FSX027WF absolute maximum ratings: (1)Drain-Source Voltage: 12 V; (2)Gate-Source Voltage: -5 V; (3)Total Power Dissipation: 1.5 W at Tc = 25℃; (4)Storage Temperature: -65 to 175 ℃; (5)Channel Temperature: 175 ℃.
Features
FSX027WF features: (1)Medium Power Output: P1dB=24.5dBm(Typ.)@8.0GHz; (2)High Power Gain: G1dB=10dB(Typ.)@8.0GHz; (3)Hermetic Metal/Ceramic Package; (4)Proven Reliability.
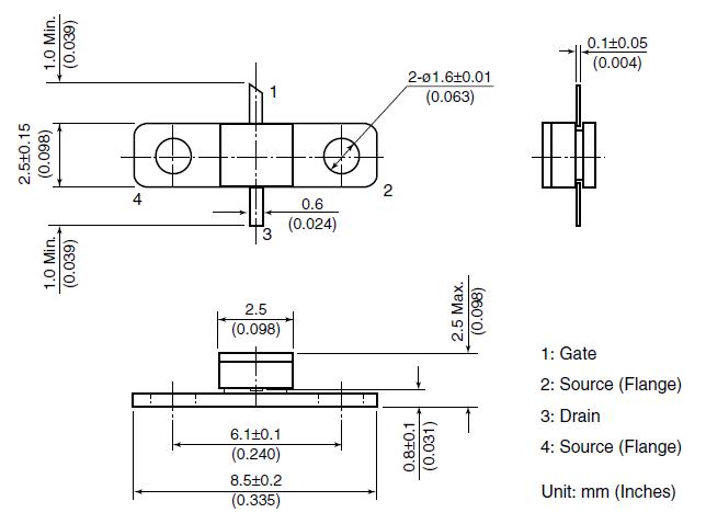
Diagrams

![]() |
![]() FSX017WF |
![]() Other |
![]() |
![]() Data Sheet |
![]() Negotiable |
|
||||
(China (Mainland))








