Product Summary
The FMM5059VF is a Ku band power amplifier MMIC. The FMM5059VF is a MMIC amplifier that contains a three-stage amplifier, internally matched, for standard communications in the 13.75 to 14.5GHz frequency range. This product is well suited for VSAT applications as it offers high power, high gain, and low VSWR.
Parametrics
FMM5059VF absolute maximum ratings: (1)DC Input Voltage, VDD: +10V; (2)DC Input Voltage, VGG: -3V; (3)Input Power, Pin: +26dBm; (4)Storage Temperature, Tstg: -55 to +125℃.
Features
FMM5059VF features: (1)High Output Power: 35.0dBm(typ.); (2)High Linear Gain: 29.0dB(typ.); (3)Low Input VSWR; (4)Broad Band: 13.75-14.5GHz; (5)Impedance Matched Zin/Zout = 50Ω; (6)Small Hermetic Metal-Ceramic Package(VF-pkg).
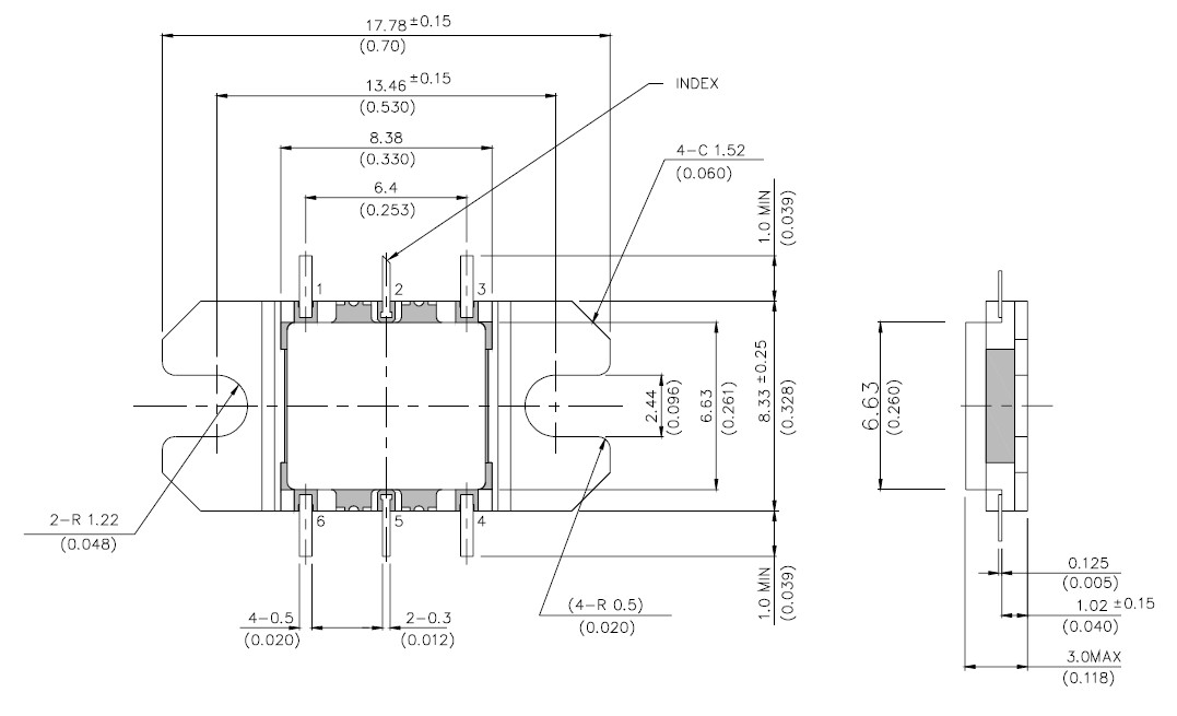
Diagrams

![]() |
![]() FMM50-025TF |
![]() Ixys |
![]() MOSFET PHASE LEG MOSFET MOD HALF-BRIDGE 250V 30A |
![]() Data Sheet |
![]() Negotiable |
|
||||
![]() |
![]() FMM5701X |
![]() Other |
![]() |
![]() Data Sheet |
![]() Negotiable |
|
||||
![]() |
![]() FMM5805GJ-1 |
![]() Other |
![]() |
![]() Data Sheet |
![]() Negotiable |
|
||||
![]() |
![]() FMM5701LG |
![]() Other |
![]() |
![]() Data Sheet |
![]() Negotiable |
|
||||
![]() |
![]() FMM5201ML |
![]() Other |
![]() |
![]() Data Sheet |
![]() Negotiable |
|
||||
![]() |
![]() FMM5107VD |
![]() Other |
![]() |
![]() Data Sheet |
![]() Negotiable |
|
||||
(China (Mainland))








